Профессиональный строительный инструмент и оборудование
Каталог инструментов
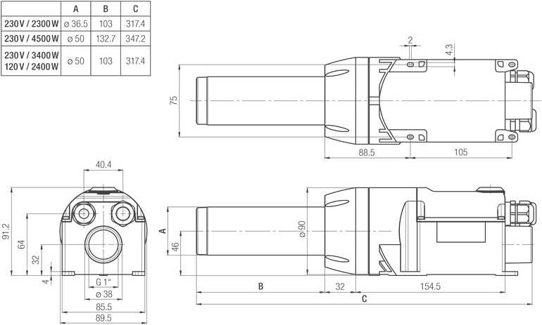
Фен промышленный Leister Mistral 6 Premium
Фен промышленный Leister Mistral 6 Premium (Ляйстер Мистраль 6 Премиум) – компактный и мощный тепловентилятор, в котором объединены вентилятор и воздухонагреватель, незаменим на объектах, где для монтажа отдельного вентилятора недостаточно места. Широко применяется в разных областях промышленности для выполнения таких задач, как: сушка, формовка, термоусадка, каширование, ламинация, активация клея и т.д.
Производитель: LEISTER (ЛЯЙСТЕР) – Швейцария.
Преимущества фена промышленного Leister Mistral 6 Premium:
- Многоцелевое назначение и надежность: подходит для решения различных задач, может использоваться как ручной сварочный термофен или встраиваться в технологическое оборудование
- Быстрый и точно контролируемый обдув горячим воздухом
- Бесщеточный двигатель вентилятора, не требующий технического обслуживания, для беспрерывной эксплуатации
- Интегрированная силовая электроника
- Тепловая мощность плавно регулируется при помощи потенциометра
- Защита от нагревания деталей и перегрева устройства
- Переключатель для потенциометра (внутренний / внешний)
- Возможность отдельного подключение цепи питания вентилятора и блока нагрева
- Высокое качество сборки
| Изображение | Артикул | Наименование |
| 107.254 | Фланцевая насадка, насаживается, a = 70 мм | |
| 122.332 | Адаптер, насаживается, a = Ø 50 мм на b = Ø 62 мм | |
| 122.924 | Адаптер, насаживается, a = Ø 50 мм на b = Ø 37 мм | |
| 107.255 | Трубная удлиняющая насадка, насаживается, a × b: 160 × 36,5 мм | |
| 105.950 | Трубная насадка, насаживается, a × b × c: 460 × 300 × 2 мм | |
| 107.257 | Трубная насадка, насаживается, a × b × c: 590 × 420 × 1,47 мм | |
| 105.955 | Трубная насадка, насаживается, a × b × c: 836 × 660 × 1 мм | |
| 105.952 | Трубная насадка, насаживается, a × b × c: 900 × 800 × 0,9 мм | |
| 107.256 | Угловая насадка, насаживается, Ø 50 мм, длина колен a × b: 160 × 100 мм | |
| 105.961 | Широкая щелевая насадка, насаживается, длина 350 мм, a × b: 45 × 12 мм | |
| 107.258 | Широкая щелевая насадка, насаживается, длина 350 мм, a × b: 70 × 10 мм | |
| 106.057 | Широкая щелевая насадка, насаживается, a × b: 100 × 4 мм | |
| 106.060 | Широкая щелевая насадка, насаживается, a × b: 150 × 6 мм | |
| 107.270 | Широкая щелевая насадка, насаживается, a × b: 150 × 12 мм | |
| 106.061 | Широкая щелевая насадка, насаживается, a × b: 300 × 6 мм | |
| 107.331 | Створчатая рефлекторная насадка, насаживается, d × b: 70 × 70 мм | |
| 107.340 | Рефлекторная тоннельная насадка, насаживается, a × b: 45 × 250 мм | |
| 107.327 | Решетчатая рефлекторная насадка, насаживается, a × b: 70 × 75 мм | |
| 107.333 | Решетчатая рефлекторная насадка, насаживается, a × b: 130 × 150 мм | |
| 107.330 | Створчатая рефлекторная насадка, насаживается, d × b: 125 × 22 мм | |
| 106.127 | Решетчатая рефлекторная насадка "душ", насаживается, Ø 65 мм | |
| 106.956 | Температурный зонд со штекером, кабель 1 м | |
| 106.958 | Удлинительный кабель со штекерами для температурного зонда, 2 м | |
| 106.960 | Удлинительный кабель со штекерами для температурного зонда, 4 м | |
| 106.962 | Удлинительный кабель со штекерами для температурного зонда, 10 м | |
| 148.812 | Внешний аналоговый потенциометр 10 кОм с сигнальным кабелем 3 м |
Цена и технические характеристики фена промышленного Leister Mistral 6 Premium:
Технический паяльный фен
-
Коронка алмазная кольцевая по железобетону Kern Diamond Bit Concrete Premium 22 ммДиаметр: 22 ммРабочая длина: 300 - 450 ммЦена: 7 700 руб.
-
Алмазные коронки по железобетону Kern Diamond Bit Concrete Premium 56 ммДиаметр: 56 ммРабочая длина: 450 ммЦена: 7 000 руб.
-
Алмазная коронка для сухого сверления подрозетников с микроударом Адель Diamond Hit DH-D400 82/65 ммДиаметр: 82 ммРабочая длина: 65 ммЦена: 6 300 руб.
-
Алмазная коронка для сухого бурения с микроударом Адель Diamond Hit DH-D400 92 ммДиаметр: 92 ммРабочая длина: 450 ммЦена: 9 900 руб.
-
Алмазные коронки по железобетону Kern Diamond Bit Concrete Premium 192 ммДиаметр: 192 ммРабочая длина: 450 ммЦена: 24 500 руб.
-
Алмазная коронка для сухого бурения с микроударом Адель Diamond Hit DH-D400 92 ммДиаметр: 92 ммРабочая длина: 450 ммЦена: 9 900 руб.
-
Алмазные коронки по железобетону Kern Diamond Bit Concrete Premium 600 ммДиаметр: 600 ммРабочая длина: 450 ммЦена: по запросу
-
Алмазная коронка для сухого бурения с микроударом Адель Diamond Hit DH-D401 172 ммДиаметр: 172 ммРабочая длина: 450 ммЦена: 21 100 руб.
Новости
-
26.11.2025Новые поступления для серьёзной работы: спираль и адаптер от Crocodile
-
21.11.2024Поступление желобонакатчиков GruvMaster - Новинка на Российском рынке!
-
27.12.2023С новым 2024 годом!
-
20.12.2022Режим работы в Новогодние праздники
-
12.10.2022ФСБ сообщила о попытке теракта с ПЗРК «Игла» в Подмосковье





Отзывы
Оставьте Ваш отзыв