Профессиональный строительный инструмент и оборудование
Каталог инструментов
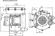
Нагнетатель воздуха в ручные сварочные термофены Leister Robust
Нагнетатель воздуха в ручные сварочные термофены Leister Robust (Ляйстер Робуст) – компактный и бесшумный, вихревой вентилятор высокого давления для подачи воздуха в строительные фены Diode Pid / Diode S, Welding Pen R / Welding Pen S или к 3-м Labor S.
Производитель: LEISTER (ЛЯЙСТЕР) – Швейцария.
Преимущества нагнетателя воздуха в ручные сварочные термофены Leister Robust:
- Компактная конструкция, большая мощность
- Имеет высокую производительность для своих габаритов
- Широкий выбор принадлежностей позволяет переоборудовать вентилятор для использования в различных целях
- Для непрерывной эксплуатации
- Низкий уровень шума
- Применяется для решения различных задач при внешней температуре до 60°C
| Изображение | Артикул | Наименование |
| 107.350 | Воздушный шланг из ПВХ, Ø 19 мм | |
| 107.290 | Хомут для шланга ∅ 19 мм | |
| | 107.242 | Заглушка ∅ 19 мм насаживается на переходник 107.298 |
| 107.354 | Фильтрующая насадка насаживается на патрубок | |
| 108.623 | Конденсатор электродвигателя 230 В | |
| 107.298 | Переходник Ø 38 мм с 2-мя воздушными выходами для шланга Ø 20 мм насаживается на выходной патрубок и переходник 107.293 для шлангового соединения | |
| 107.281 | Переходник Ø 38 мм с 3-мя воздушными выходами для шланга Ø 14 мм насаживается на выходной патрубок и переходник 107.293 для шлангового соединения | |
| 107.286 | Воздушный шланг из ПВХ, Ø 38 мм | |
| 107.287 | Хомут для шланга Ø 60 мм | |
| 107.241 | Заглушка Ø 38 мм насаживается на переходник 107.292 и 107.293 | |
| 107.293 | Переходник Ø 38 мм с 2-мя воздушными выходами для шланга Ø 38 мм насаживается на адаптер 107.292 или 107.291 | |
| 108.755 | Ручной регулятор подачи воздуха с выключателем (214 × 88 × 133 мм) | |
| 107.299 | Выключатель подачи воздуха (поток воздуха, идущий к нагревателю прерывается с помощью импульса сжатого воздуха 5 бар), 214 × 88 × 133 мм |
Цена и технические характеристики нагнетателя воздуха в ручные сварочные термофены Leister Robust:
Технический паяльный фен
-
Алмазные коронки по железобетону Kern Diamond Bit Concrete Premium 225 ммДиаметр: 225 ммРабочая длина: 450 ммЦена: 32 000 руб.
-
Алмазные коронки по железобетону Kern Diamond Bit Concrete Premium 375 ммДиаметр: 375 ммРабочая длина: 450 ммЦена: по запросу
-
Алмазная коронка для сухого бурения с микроударом Адель Diamond Hit DH-D400 46 ммДиаметр: 46 ммРабочая длина: 450 ммЦена: 5 500 руб.
-
Сварочный автомат горячего клина СварПом СП33 800 ВтШирина сварного шва: 100 ммТолщина свариваемых материалов: 0,2-1,5 ммЦена: 137 099 руб.
-
Коронка алмазная кольцевая по железобетону Kern Diamond Bit Concrete Premium 24 ммДиаметр: 24 ммРабочая длина: 300 - 450 ммЦена: 8 000 руб.
-
V-образная четырехроликовая складная регулируемая опора для труб Remmers Atlant 1/8-12Диаметр труб: 3 - 300 мм (1/8" - 12")Высота: 710 - 1320 мм (28" - 52")Цена: 13 300 руб.
-
Алмазные коронки по железобетону Kern Diamond Bit Concrete Premium 102 ммДиаметр: 102 ммРабочая длина: 450 ммЦена: 11 600 руб.
-
Алмазная коронка с пылеудалением для сухого сверления подрозетников с микроударом Адель Diamond Hit DH-DE400 Long 82/120 ммДиаметр: 82 ммРабочая длина: 120 ммЦена: 6 300 руб.
Новости
-
26.11.2025Новые поступления для серьёзной работы: спираль и адаптер от Crocodile
-
21.11.2024Поступление желобонакатчиков GruvMaster - Новинка на Российском рынке!
-
27.12.2023С новым 2024 годом!
-
20.12.2022Режим работы в Новогодние праздники
-
12.10.2022ФСБ сообщила о попытке теракта с ПЗРК «Игла» в Подмосковье













Отзывы
Оставьте Ваш отзыв